Typical Lead time is 1-2 weeks, but varies based on demand.
Unit of Measure
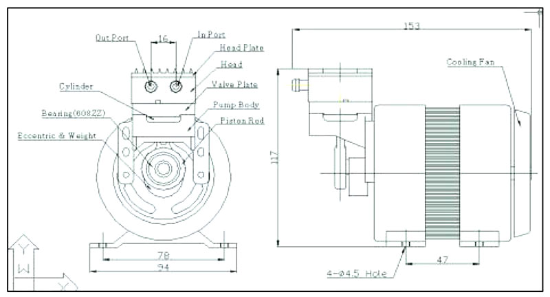
Specifications
Brands |
N/A GTek Automation |
Rated Airflow |
N/A 20 L/min |
Rated Frequency |
N/A 50 Hz60 Hz |
Connection Size |
N/A 1/8 in |
Motor Power |
N/A 40 W |
Weight |
N/A 3.74 lb1.7 kg |
Technical Data
Alternating Current (AC) Rated Voltage |
N/A 115 V |
Maximum Pressure |
N/A 6 kg/cm²85 psi-25.59 inHg to 85 psi |
Open Flow Air Output |
N/A 0.71 ft³/min20 L/min |
Maximum Vacuum Pressure |
N/A -25.59 inHg-650 mmHg |
Motor Type |
N/A 4 Pole, Capacitor Start, with Thermal Protector and Inner Cooling Fan |
Connection Type |
N/A Female National Pipe Thread (NPT) Inlet and Outlet Air Ports |

